수소차에 수소를 재보충하는 곳으로서, 기존의 자동차 주유소와 같은 개념입니다. 지금까지의 자동차 연료인 휘발유, 경유, 가스를 대신하여 친환경 코드가 반영된 자동차 시장이 시작되었습니다. 이처럼 빠른 속도로 발전하고 있는 친환경 수소자동차 시장에 미래 청정에너지로 불리는 수소를 안전하고 빠르게 공급할 수 있는 시설이라 할 수 있습니다.
수소충전소는 크게 수소공급방식에 따라 제조식(On-site) 방식과 저장식(Off-site) 방식이 주로 설치되고 있습니다.
수소충전소에서 천연가스, LPG 등을 개질하거나 물을 전기분해하는 수전해 방식으로 수소를 생산하여 수소전기차 및 수소버스에 충전하는 방식으로 수소생산지역에서 거리상 많이 떨어져 이송비용이 증가할 경우 유리하다는 장점이 있으나, 수소를 생산하기 위해서는 개질 장치 및 수전해 장치가 필요하기 때문에 초기 수소충전소 설치 비용이 높다는 단점이 있습니다.
일정지역에서 수소를 대량 생산한 수소를 수소충전소까지 파이프라인 또는 튜브트레일러로 수소충전소까지 이송하는 형태로, 대량으로 수소를 생산하여 수소생산 비용은 저렴하지만, 수소이송에 따른 추가적인 운송 비용이 발생하는 단점이 있습니다.
수소충전소는 크게 수소공급방식에 따라 제조식(On-site) 방식과 저장식(Off-site) 방식이 주로 설치되고 있습니다.
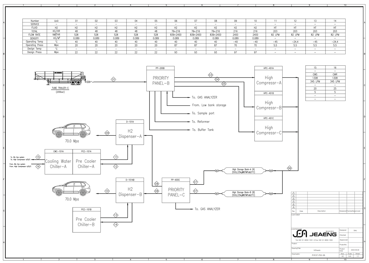
저장식(Off-site) 수소충전소의 경우 외부에서 공급을 받아 저장합니다.
다량의 수소를 수소자동차의 수소탱크에 충전하기 위하여 수소를 압축기로 압축합니다.
압축된 수소를 수소자동차에 충전하기 위해 다시 고압의 압력으로 저장합니다.
고압으로 압축된 수소는 고온의 상태이므로 냉각기를 통해 일정한 온도로 낮춥니다.
충전기를 통해 수소를 수소자동차에 충전합니다.
